Revista Mexicana de Ciencias Forestales Vol. 11 (59)

Mayo – Junio (2020)

DOI: https://doi.org/10.29298/rmcf.v11i59.673

Article

Factores que influyen en la erosión hídrica del suelo en un bosque templado

Factors that influence soil hydric erosion in a temperate forest

Moisés Matías Ramos1

Jesús David Gómez Díaz*1

Alejandro Ismael Monterroso Rivas1

Miguel Uribe Gómez1, Bartolo de Jesús Villar Hernández2

Patricia Ruiz García1

Carlos Asencio3

Fecha de recepción/Reception date: 11 de octubre de 2019

Fecha de aceptación/Acceptance date: 24 de marzo de 2020

_______________________________

1Universidad Autónoma Chapingo, México.

2Colegio de Postgraduados, Campus Montecillo, México.

3Universidad de Almería, España.

*Autor por correspondencia; correo-e: dgomez@correo.chapingo.mx

Resumen

Los ecosistemas forestales son importantes en la aportación de bienes y servicios a la sociedad; sin embargo, pueden estar afectados por erosión hídrica, lo cual representa un problema grave en México. Por lo tanto, el objetivo de este trabajo fue determinar los factores que explican ese tipo de degradación en un bosque templado. Los factores incluidos fueron seleccionados mediante revisión de literatura, a nivel nacional e internacional, con el criterio de uso en programas de manejo y monitoreo. Para evaluar la pérdida por erosión, se utilizó la medición de pedestales. Estadísticamente, se emplearon la correlación de Pearson y el Análisis de Componentes Principales (ACP). Los resultados de la primera evidenciaron que la densidad aparente (r= 0.64), pendiente (r=0.59) y el porcentaje de rocas en la superficie del suelo (r=0.57) tienen correlación positiva con la erosión hídrica; por lo que, al incrementar sus valores, aumenta la presencia de pedestales. Se determinó una correlación negativa con la profundidad (r= -0.48) y el porcentaje de materia orgánica (r= -0.45). A mayor magnitud de estos parámetros, disminuye la presencia de pedestales como expresiones del grado de erosión de los suelos. Mediante el ACP, se obtuvo que, además, incidieron directamente, el espesor del mantillo, la presencia de suelo desnudo y la compactación. También, se identificó una correlación positiva con el porcentaje de suelo desnudo y la compactación. No hubo significancia con la materia orgánica, capacidad de infiltración y profundidad del suelo. Los factores señalados deben considerarse para facilitar los monitoreos futuros.

Palabras clave: Degradación física, ecosistemas forestales, erosión por pedestales, materia orgánica del suelo, perdida de suelo.

Abstract

Forest ecosystems are important in the contribution of goods and services to society; however, they may be affected by water erosion, which represents a serious problem in Mexico. Therefore, the objective of this work was to determine the factors that explain this type of degradation in the temperate forest. The factors that influence water erosion were selected through literature review, nationally and internationally, with criteria for use in management and monitoring programs. To assess erosion loss, the measurement of pedestals was used. Statistically, Pearson's correlation and Principal Component Analysis (PCA) were used. The results obtained revealed that for Pearson, the apparent density (r = 0.64), slope (r = 0.59) and the percentage of rocks on the soil surface (r = 0.57), showed a positive correlation with water erosion, so by increasing their values, the presence of pedestals increases. Negative correlation was determined with depth (r = -0.48) and percentage of soil organic matter (r = -0.45). At higher magnitudes of those parameters, the presence of pedestals decreases as expressions of the degree of soil erosion. Through the PCA, they also directly influenced the thickness of the mulch, bare soil and soil compaction. Positive correlation with percentage of bare soil and compaction was also identified. While there was no significance with organic matter, infiltration capacity and soil depth. The indicated factors must be taken into account to facilitate future monitoring.

Key words: Physical degradation, forest ecosystems, erosion by pedestals, soil organic matter, soil loss.

Introduction

Degradation is a problem that affects the soil in any of its four modalities: water erosion, wind erosion, chemical degradation and physical degradation. The soils in forest areas are not exempt from exhibiting some kind of degrading factor. A significant proportion of the Mexican territory has problems of land degradation; however, these can be mitigated through the management of those forest areas that promote the development of goods and services obtained from natural resources (Conafor, 2015). Therefore, it is necessary to evaluate how this type of protective function shows in soil and water resources in forest areas.

Accordingly, there are several studies that seek to identify the factors that influence the erosion of the soil, and which have yielded a comprehensive list of important variables, including:

Relief. Characteristic on which the speed of the surface water runoff and other particularities are dependent (Figueroa et al., 1991).

Type of parent material. Directly influences the characteristics of the soil and its formation rate, which must be in balance with the erosion rate to maintain its productive capacity (Loredo-Osti et al., 2007).

Climate conditions. These act as driving forces of soil erosion, among which the main eroding agent is precipitation (Figueroa et al., 1991).

Type of vegetation and its conditions. These have protective functions in forest management (Miura et al., 2015).

Land use. Mismanagement is a factor that influences susceptibility to erosion (Muñoz and Ferreira, 2013; Duran et al., 2014).

Physical and chemical properties of the soil. These characteristics determine the susceptibility to erosion (Cabria et al., 2002).

At present, studies are still being conducted at the global level for the purpose of reaching a better understanding of this current phenomenon in a relevant way; therefore, work is being done to identify, establish and validate monitoring that will adapt to the different existing vegetation types in the world. In 2015, the Japanese Forestry Agency, in conjunction with the National Forestry Commission (Conafor) of Mexico, assessed four methods for monitoring the protective functions of the vegetation on the soil resource (Conafor, 2015); this resulted in a proposal for a hybrid method described in the "Field guide for rapid assessment of forest protective function for soil and water” (FAO, 2015), which was the basis for the present research; the incorporation of other variables is considered to be important in this type of monitoring. Therefore, the objectives were to determine what factors have an influence on the erosion of the soil in temperate forest of Zoquiapan, Mexico, and to identify those that correlate with water erosion in forest areas, so that they can be used in future monitoring, for their practicality and efficiency.

Materials and Methods

Study area

The study area is located within the Iztaccíhuatl-Popocatépetl-Zoquiapan National Park, specifically in the Zoquiapan Forest Experimental Station (EFEZ) of the Universidad Autónoma Chapingo. It is located between the geographic coordinates 19º12'30'' and 19º20'00' N and 98º30'00' and 98º42'30'' W, with a surface area of 1 924.23 hectares and an altitude range of 3 080 to 3 670 m. The climate of the place is typified as Cb'(w2)(w)ig and Cc(w2)(w)ig. There are five plant associations: sacred fir forest, pine forest, alder forest, pine-alder and grassland areas (Blanco et al., 1981).

Selection of sampling points

There was a prior characterization of the sampling site according to the methodology proposed by Gómez (2008). Maps were generated for physiography, climate, land use and vegetation, with the help of a Geographic Information System (ArcGis 10.1). The maps were overlapped to obtain landscape units with homogeneous characteristics (biophysical units) for the purpose of facilitating sampling (Figure 1). 18 biophysical units were generated; of these, three were selected for their ecological importance, on which the sampling points were established with three replications (Table 1).

Table 1. Coordinates and identification key of the sampling points on the selected landscape units.

Biophysics Unit

Identification Key

Replication

Coordinates (UTM)

Sacred fir forest with a Cc(W2)(w)ig climate on a sloping hillside

SFF_LI

1

534494-E, 2133356-N

2

534675-E, 2132688-N

3

534906-E, 2131999-N

Pine forest with Cc(W2)(w)ig climate in an almost flat intermountain valley

PF_VI

1

533898-E, 2133370-N

2

534394-E, 2134038-N

3

535210-E, 2134024-N

Pine-alder forest with a Cc(W2)(w)ig climate in a sloping hillside

PAlF_LI

1

534274-E, 2130682-N

2

534557-E, 2130007-N

3

534748-E, 2131102-N

Figure 1. Graphic representation of the biophysical units with homogeneous characteristics in Zoquiapan, Mexico.

Sampling plot

The sampling plot named: "Subsampling by transect and dotted line" was used as the basis (FAO, 2015) and was adapted for the lifting of new variables (Figure 2).

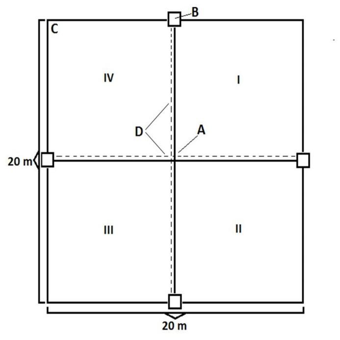
C:\0_Doctorado 31-05-2019\4_REVISIÓN ARTÍCULO\Articulo-Moi\Artículo_cartas_moi\Figuras\fig_1.jpg

I, II, III and IV are the quadrants, A, B, C, and D whose measurements are detailed in the description of the information collection process.

Figure 2. Sub-sampling by transect and dotted line.

Data collection and processing

General information of the site (A). The information gathered for each site includes the relief data, parental material, climate, vegetation and land use.

Measurement of tree cover (D). For this variable, a GRS densitometer was used, and the percentage of canopy beds was determined based on the methodology of the Comisión Nacional Forestal (Conafor, 2015), accordingly to the transects marked with dotted lines in Figure 2.

Coverage of the forest floor (B). The percentage of coverage was determined on a superficial level, from photographs taken perpendicularly to the ground in four 1 m2 squares, each of them at the ends of the lines drawn from the transects in Figure 2. A laboratory analysis was made of the photographs using the free software SamplePoint, and the lowest percentage (Conafor, 2015; FAO, 2015) was obtained for the herbaceous cover, residues (fallen trees, litter, and decomposed materials), rocks and stones present in the site, and for the exposed soil (Table 2).

Table 2. Biomass and thickness, canopy cover and soil cover of the sampling points.

ID

Rep

Sl

(°)

M.A. P. (mm)

Biomass and thickness

Basal area (m2 ha-1)

Canopy cover

(%)

Soil cover (%)

Veg. Biom.

(t ha-1)

Veg. Biom.

(t ha-1)

Litt. Th. (cm)

Mulch Biom.

(t ha-1)

Mulch Th. (cm)

Veg.

Litt.

Residue

Soil

Rock

PF_VI

1

3

1 098

1.70

2.95

1.65

6.22

0.68

24.15

58.33

43.35

53.35

0.00

0.83

2

1

1 098

1.36

7.60

1.70

1.43

1.20

16.10

63.33

42.50

55.00

0.00

0.83

3

5

1 098

0.34

9.30

4.70

8.27

1.95

7.72

35.00

41.68

51.65

0.00

0.00

SFF_LI

1

23

1 128

2.71

9.50

1.85

11.09

4.38

16.51

76.67

45.00

40.00

1.67

0.83

2

19

1 128

0.46

4.35

1.18

13.62

2.36

53.88

85.00

32.50

58.35

2.50

2.50

3

20

1 128

0.28

6.43

3.03

21.03

3.18

24.92

80.00

33.75

65.00

0.63

0.00

PAlF_LI

1

13

1 213

1.33

5.26

4.48

5.39

1.39

72.11

61.67

54.28

35.00

8.58

0.00

2

7

1 213

3.68

6.53

3.84

6.10

1.42

12.94

15.00

79.30

16.43

0.73

0.00

3

10

1 213

3.22

6.73

3.93

6.08

1.53

22.38

85.00

35.73

55.70

5.73

0.00

Rep.= Replication, Sl = Slope, M.A.P. = Mean annual precipitation, Veg. Biom. = Vegetal biomass, Litt. Biom. = Litter biomass; Litt. Th. = Litter thickness; Mulch Biom. = Mulch biomass, Mulch Th. = Mulch thickness, Litt. = Litter, Veg. = Vegetable; PF_VI = Pine forest with a Cc(w2)(w)ig climate in an almost flat intermountain valley ; SFF_LI = Sacred fir forest with a Cc(w2)(w)ig climate in a sloping hillside; PAlF_LI = Pine-Alder forest with a Cc(w2)(w)ig climate in a sloping hillside.

Biomass of the forest floor (B). The biomass of the forest floor was measured in the 1 m2 square, located at the top of the center line, on the direction of the slope (Figure 2). Samples were taken of the herbaceous vegetation, and the thickness of the leaf litter and of the mulch were measured in centimeters with a 30 cm ruler. Sub-samples were collected from each of them and were processed at the Genesis Laboratory of the Pedology area of the Soils Department of the Universidad Autónoma Chapingo, where a drying oven (Thelco 22AF5) was used at a temperature of 70° C until the samples reached a constant weight; dry biomass data were obtained in units of ton per hectare.

Basimetric area (C). In quadrant IV, trees >5 cm in diameter at the height of 1.30 m were measured with a Forestry Suppliers diameter tape.

Edaphic variables (Quadrant II). Given their importance for the susceptibility to erosion, information was obtained regarding certain physical and chemical properties of the soil; for this purpose, three soil samples were drawn in each biophysical unit. The content of organic matter (AS-12-1998), texture (AS-08-1998) and pH (AS-09-1998) was determined at  the Genesis Laboratory of the Pedology area of the Soils Department of the Universidad Autónoma Chapingo, following the methodology described in the Official Mexican Norm NOM-021-SEMARNAT-2000 (Semarnat, 2002). For the stability of the aggregates, Yoder’s methodology was applied (Florentine, 1998). The compaction of the soil was determined with a "soil compaction tester” (AgraTronix penetrometer, model 6120) and recorded in megapascals (MPa), equivalent to Newtons mm-2. In some cases, these data are measured at a depth of up to 60.96 cm; in addition, the average soil depth was calculated.

For infiltration, a ring infiltrometer was used (USDA, 2000); the data are recorded in centimeters per hour. The direct excavation method was utilized in the field and unaltered samples of known volume (Etchevers et al., 2005) for the density of the soil. The depth was measured with an endless auger.

Measurement of soil erosion by pedestals (Quadrant III). This type of erosion was detected through the identification of the relicts of topsoil, which remain thanks to the protection provided by rocks, branches or plants. Once identified, they were counted, and their height was measured using a conventional ruler in millimeters and centimeters.

Measurement of soil erosion due to channels and gullies (sampling plot). This measurement identifies when a line of runoff has caused the removal and the soil drag. Those that measured less than 30 cm in depth corresponded to channels, while those that were >30 cm deep were called gullies (FAO, 2015). When identified in the whole sampling plot, they were measured as proposed by Conafor (2015).

Statistical analysis

In order to identify the important factors that account for the water erosion, there was an array of Pearson correlation between the selected covariates and the response variable. Only the data of erosion in the form of pedestals were used for the analysis, since there was merely one record for channels and gullies.

Those variables that were significant and presented a value of correlation were selected; the values close to the unit were considered to be positively correlated, so that the increases in the value of the covariate augment erosion. The inverse relationship, i.e. when one of the variables increases and the other decreases in constant proportion, was considered to be a negative correlation. That is to say, the closer the correlation coefficient is to -1, the more evident the correlation will be.

In order to include the interaction of all the variables and check if there are other covariates of importance, a Principal Component Analysis (PCA) was performed; for this purpose, the conventional standardization was carried out by subtracting the mean and dividing by the standard deviation. This multivariate analysis was conducted because it explores and reduces the dimensionality of a large data set with minimum loss of information. The correlations between variables are interpreted based on the angles of the vectors that represent them. The sharp angles that are formed between dependent and independent variables indicate positive correlations; obtuse angles between the two correspond to negative correlations and right angles imply that there is no correlation between the variables (Balzarini et al., 2015).

Results and Discussion

Table 2 shows the results for aerial biomass, basimetric area, leaf litter thickness and mulch. These elements of the soil are important for mitigating erosion (Durán et al., 2014). Other cover data measured in the field were the percentage covered by forest canopy at each sampling point, and the forest floor cover that was subdivided into the percentages of vegetation, waste, bare soil and rock that included stones (Table 2). In general, based on the analysis of the data collected in the field, the cover percentage was determined to be greater than 90 %, corresponding to a high category according to the proposal by Miura et al. (2015).

Edaphic variables are shown in Table 3. The infiltration measured in most of the points ranged from fast to very fast, according to the classification of USDA (2000). The data of resistance to penetration measured in the first 7.62 cm in depth are classified as low to moderate (Schoeneberger et al., 2012). The first layer of soil (7.62 cm) was considered for analysis because it intervenes directly with the impacts or the erosive force of water. The soils were characterized as deep to very deep (FAO, 2015).

Table 3. Edaphic variables of the sampling sites.

ID

Rep.

Infiltration (cm h-1)

Compaction (MPa)

Soil depth (cm)

pH

O. M. (%)

Aggregates (%)

BD

(g cm-3)

PF_VI

1

63.5

1.55

120

4.30

13.20

0.86

0.64

2

11.76

2.02

120

5.56

12.90

0.80

0.64

3

105.10

1.03

120

5.47

13.58

0.80

0.64

SFF_LI

1

54.43

1.33

120

5.20

10.89

0.85

0.72

2

63.24

1.68

75

4.85

12.90

0.77

0.73

3

125.95

1.61

90

5.60

13.04

0.72

0.56

PAlF_LI

1

117.22

1.36

120

5.13

13.58

0.73

0.62

2

22.14

1.59

45

5.90

11.83

0.52

0.59

3

10.28

1.91

90

5.57

13.44

0.78

0.71

PF_VI = Pine forest with Cc(w2)(w)ig climate in an almost flat intermountain valley; SFF_LI = Sacred fir forest with a Cc(w2)(w)ig climate in a sloping hillside; PAlF_LI = Pine-alder forest with a Cc(w2)(w)ig climate in a sloping hillside; O. M. = Organic matter; BD = Bulk density.

Other soil properties were: 1) pH which proved to be severely acid to very severely acid (Castellanos et al., 2000), attributable to andic properties of the soils and to the contents of organic matter (Castellanos et al., 2000); 2) the organic matter recorded very high values; 3) the aggregate stability indicated that the soil has a high percentage of stable aggregates, which suggests that they are soils with persistent particles in the face of destructive forces by anthropogenic, climate, or other actions (Florentino, 1998), in addition to the stable ground, it is also attributed to the amount of organic matter; 4) bulk density (BD) was in a range of 0.59 - 0.72 g cm-3, which is considered as low (Etchevers et al., 2005); this validates the perception that they are well aerated and well drained porous soils; 5) the texture was classified as loamy-sandy, and rated as average and characteristic of forest soils.

As shown in Table 4, the signs of erosion by pedestals were the only ones present in the sampling points, there was only a piece of data for the variable channels and null data for the variable gullies, so that the erosion on the site was nil to light, according to the classification of Figueroa et al. (1991); this is attributed to the physical and chemical properties of the soil which give stability to their aggregates, as indicated above.

Table 4. Variables of erosion: pedestals, channels and gullies.

ID

Rep.

Pedestals (cm)

Channels (Vol. “m3”)

Gullies (Vol. “m3”)

PF_VI

1

0.00

0.00

0.00

2

0.00

0.00

0.00

3

0.00

0.00

0.00

SFF_LI

1

1.28

0.00

0.00

2

1.90

0.00

0.00

3

0.00

0.00

0.00

PAlF_LI

1

0.70

0.11

0.00

2

1.00

0.00

0.00

3

0.86

0.00

0.00

PF_VI = Pine forest with a Cc(w2)(w)ig climate in an almost flat intermountain valley; SFF_LI = Sacred fir forest with a Cc(w2)(w)ig climate in a sloping hillside; PAlF_LI = Pine-alder forest with a Cc(w2)(w)ig climate in a sloping hillside; Rep. = Replication.

The correlation between the variables measured and the soil erosion represented by pedestals are described below. A statistical analysis was performed discarding those data that were the same or very similar to each other. The 20 covariates were selected because they influence the response variable; they were analyzed using the correlation matrix (Figure 3).

Code

Meaning

pedes

Pedestals

pend

Slope

pp

Precipitation

bio1

Vegetation Biomass

bio 2

Leaf litter biomass

esph

Litter thickness

bio 3

Mulch biomass

espman

Mulch thickness

basal

Basal area

leaf

Canopy cover, leaf

veg

Soil cover, vegetation

resid

Soil cover, residues

soil

Soil cover, exposed soil

rock

Soil cover, rock

inf

Infiltration

compac

Soil compaction

prof

Soil depth

pH

Potential of hydrogen

mo

Organic matter

agreg

Soil stable aggregates

da

Apparent density

Figure 3. Correlation matrix and utilized code

Table 5 shows the covariates of higher correlation with erosion, based on Pearson's correlation coefficient.

Table 5. Pearson's correlation coefficient for the variables with the highest correlation with water erosion.

Variable

Pearson's correlation coefficient

Slope (%)

0.59

Rock (%)

0.57

Depth (cm)

-0.48

Organic matter (%)

-0.45

BD (g cm-3)

0.64

In the exploratory analysis with Principal Component Analysis (PCA), which is displayed in Figure 4, the variables that were significant in explaining the presence of pedestals (framed in yellow) were: bare soil, soil compaction, slope, thickness of the mulch, rocks and APD, which had a positive correlation. The organic matter, infiltration and soil depth were negatively correlated (framed in green). In this case, the greater the magnitude of the variables, the lesser the soil erosion in the form of pedestals. These results are in line with what was expected, since the deep soils and their high content of organic matter enhance their infiltration capacity, and they are very stable soils, which reduces the risk of erosion.

Figure 4. Exploratory analysis by means of Principal Components for all the analyzed variables.

From the exposed statistical analysis, it is inferred that the erosion by pedestals is correlated with:

1) Soil Slope Variable, among those of greatest importance in the Pearson correlation (r = 0.59) and in the PCA, the angle formed by the two lines is sharp, which indicates positive correlations and shows the importance of the slope in the soil erosion, a fact that is consistent with the data cited by Figueroa et al. (1991) and Durán et al. (2014).

2) Thickness of the mulch. It was important for the PCA, as the angle between this and the erosion is acute; which means that, increasing the thickness of topsoil, erosion in formation of pedestals was greater. The above can be associated to the fact that the mulch was in a stage of mid-term decomposition, and at this phase, as indicated by Miura et al. (2015), the mulch is made up of large particles of vegetable waste still without a stable structure; this represents an obstacle to runoff, and therefore the water cannot drain, so that when its volume increases, it drags the residues and the soil.

3) Presence of rocks on the surface. The Pearson correlation associated with the runoff around these obstacles was positive (r = 0.57), and a larger water volume concentrates in open areas. For this reason, there can be detachment and drag of fine soil particles, which causes the exposure of the rocky or stony materials as an indication of erosion (Durán et al., 2014).

4) Percentage of bare soil. The positive correlation observed through the PCA is an expected result; since, in the absence of a cover that protects the soil, the problem of erosion becomes more intensely evident, as has been indicated by various authors (Muñoz and Ferreira, 2013; Durán et al., 2014; Miura et al., 2015).

5) Soil compaction. Positively related to soil erosion in pedestals, which means that the greater the compaction of the soil, the higher the pedestals measured in the field. The above is attributable to the fact that, when there is compaction, water infiltration is reduced, surface runoff increases, and all this causes erosion (Spaeth et al., 1996).

6) Soil bulk density. Soil bulk density exhibited a high positive correlation (r = 0.64), attributed to the fact that the soils exhibited very stable particles, medium-textured and BD values < 1. Soils with thick textures are related to a higher BD and are susceptible to be eroded (Muñoz and Ferreira, 2013).

7) Organic matter. The Pearson correlation was negative (r = -0.45), as shown by the PCA, in which the angle between organic matter and soil erosion was observed to be close to 180° (Figure 4), which means that the greater the amount of organic matter in the soil, the higher the rate of infiltration, and, in deep soils, the lesser the erosion by pedestals. The answer is the expected one and is associated with the fact that the organic matter is essential for the aggregation and soil stability, making it more resistant to erosion, coinciding with what Muñoz and Ferreira (2013) validated.

8) Soil depth. The deeper soils have more infiltration capacity, store more water and decrease the volume of surface flow; as a result, the erosion diminishes, and therefore the Pearson correlation was negative (r = -0.48).

9) Infiltration. The result for the infiltration shows that the greater the infiltration, the lesser the erosion, as Morgan et al. (1984) point out, because a greater penetration of water into the soil reduces the surface runoff.

When individually analyzing the other measured variables —percentage of canopy cover, percentage of vegetation cover, and percentage of residues—, no significant correlation with soil erosion by pedestals was obtained for the sampled sites. This is not to say that they lack importance, as the bare soil that results from subtracting the surface covered by all materials explained to a large extent the problem of erosion.

Conclusions

The use of the methodology makes it possible to determine the factors that account for the erosion in the study area. The slope of the site, the thickness of the mulch, the percentage of rock present on the surface, the compaction, and the apparent density exhibit a positive correlation with the erosion expressed as pedestals; so that, as its magnitude grows, the risk of presence of pedestals increases. The organic matter in the soil, infiltration rate and soil depth recorded a negative correlation, so that their presence with high values reduces the risks of soil erosion, due to absence or reduced incidence of pedestals. It is desirable that these factors be considered, primarily in subsequent monitoring studies.

Conflict of Interest

The authors declare no conflict of interest.

Contribution by author

Moisés Matías Ramos, Jesús David Gómez Díaz and Alejandro Ismael Monterroso Rivas: characterization of the biophysical environment for obtaining homogeneous landscape units, selection of variables to be measured, and drafting of the manuscript; Bartolo de Jesús Villar Hernández: statistical analysis; Miguel Uribe Gómez and Patricia García Ruiz: in-field data collection and drafting of the manuscript; Carlos Asensio: drafting the manuscript.

References

Balzarini, M., C. Bruno, M. Córdoba e I. Teich. 2015. Herramientas en el Análisis Estadístico Multivariado. Escuela Virtual Internacional CAVILA. Facultad de Ciencias Agropecuarias, Universidad Nacional de Córdoba. Córdoba, Argentina. 200 p.

Blanco Z., S., G. Ceballos, C. Galindo L., J. M. Maass M., R. Patrón S., A. Pescador y A. I. Suaréz G. 1981. Ecología de la estación experimental Zoquiapan. Serie Agronomía 2. Universidad Autónoma Chapingo. Texcoco, Edo. de Méx., México. 35 p.

Cabria, F., M. Calandroni y G. Monterubbianesi. 2002. Tamaño y estabilidad de agregados y su relación con la conductividad hidráulica saturada en suelos bajo labranza convencional y praderas. Ciencia del Suelo. 20(2):69-80. https://www.suelos.org.ar/publicaciones/ vol_20n2/cabria_69-80.pdf (15 de junio de 2019).

Castellanos J., Z., J. X. Uvalle-Bueno y A. Aguilar-Santelises. 2000. Manual de interpretación de análisis de suelos y aguas. 2a ed. Instituto de Capacitación para la Productividad Agrícola. Villahermosa, Tab., México. 14 p.

Comisión Nacional Forestal (Conafor). 2015. Mejora de la información para promover el manejo forestal para la protección del suelo y del agua, informe final de México. Conafor. Zapopan, Jal., México. 120 p. http://www.conafor.gob.mx (23 de mayo de 2019).

Departamento de Agricultura de los Estados Unidos de América (USDA). 2000. Guía para la Evaluación de la Calidad y Salud del Suelo. USDA. Washington, DC, USA. 88 p.

Durán Z., V. H., C. R. Rodríguez P., S. Cuadros T. y J. R. Francia M. 2014. Impacto de la erosión y escorrentía en laderas de agroecosistemas de montaña mediterránea. Ecosistemas: Revista Científica y Técnica de Ecología y Medio Ambiente 23(1): 66–72. Doi: 10.7818/ECOS.2014.23-1.12.

Etchevers J., D., C. M. Monreal, C. Hidalgo, M. Acosta, J. Padilla y R. M. López. 2005. Manual para la determinación de carbono en la parte aérea y subterránea de sistemas de producción en laderas. Colegio de Postgraduados. Montecillo, Edo. de Méx., México. 28 p.

Figueroa S., B., A. Amante, H. G. Cortes, J. Pimentel, E. S. Osuna, J. M. Rodríguez y F. J. Morales. 1991. Manual de predicción de pérdidas de suelo por erosión. Colegio de Postgraduados. Salinas, SLP., México. 150 p.

Florentino, A. 1998. Guía para la evaluación de la degradación del suelo y de la sostenibilidad del uso de la tierra: selección de indicadores físicos. Valores críticos. Universidad Central de Venezuela. Maracay, Venezuela. 12 p.

Food and Agriculture Organisation of the United Nations (FAO). 2015. Guía de campo para una evaluación rápida de las funciones protectoras del bosque del suelo y el agua; un método científico sólido, rentable y fácil de aplicar para recopilar datos a fin de promover el manejo forestal para la protección del suelo y el agua. FAO. Roma, Italia. 20 p.

Gómez D., J. D. 2008. Determinación de los almacenes de carbono en los compartimentos aéreo y subterráneo de dos tipos de vegetación en la reserva de la Biosfera “Sierra De Huautla”, Morelos, México. Tesis Doctoral. Colegio de Postgraduados, Campus Montecillo. Montecillo, Edo. de Méx., México. 194 p.

Loredo-Osti., C., S. Beltrán L., F. Moreno S. y M. Casiano D. 2007. Riesgo de la erosión hídrica y proyección de acciones de manejo y conservación del suelo en 32 microcuencas de San Luis Potosí. Libro Técnico Núm. 3. Campo Experimental San Luis. San Luis Potosí- CIRNE-INIFAP. Saltillo, SLP., México. 209 p.

Miura, S., S. Ugawa, S. Yoshinaga, T. Yamada and K. Hirai. 2015. Floor Cover Percentage Determines Splash Erosion in Chamaecyparis obtusa Forests. Soil Science Society of America Journal 79(6). Doi:10.2136/sssaj2015.05.0171.

Morgan, R. P. C., D. V. Morgan D. and J. H. Finney. 1984. A predictive model for tile assessment of soil erosión risk. Journal of Agricultural Engineering Research. 30: 245- 253. Doi:10.1016/S0021-8634(84)80025-6.

Muñoz I., D. J. y M. F. Ferreira R. 2013. Relación entre la cobertura del terreno y la degradación física y biológica de un suelo aluvial en una región semiárida. Terra Latinoamericana 31 (3): 201–210. http:// www.redalyc.org/articulo.oa?id=57328903004 (5 de junio de 2019).

Secretaria del Medio Ambiente y Recursos Naturales (Semarnat). 2002. Norma Oficial Mexicana NOM-021-SEMARNAT-2000 Fertilidad, Salinidad y Clasificación de suelos, Estudio, Muestreo y análisis. (Segunda Sección). Diario Oficial de la Federación. México, D.F., México. 85 p. http://biblioteca.semarnat.gob.mx/janium/Documentos/Ciga/ libros2009/DO2280n.pdf (17 de abril de 2019).

Schoeneberger, P. J., D. A. Wysocki and E. C. Benham. 2012. Field book for describing and sampling soils, version 3.0. Natural Resources Conservation Service-National Soil Survey Center. Lincoln, NE, USA. 300 p.

Spaeth, K. E., T. L. Thurow, W. H. Blackburn and F. B. Pierson. 1996. Ecological dynamics and management effects on rangelands hydrologic processes. In: Spaeth, K. E., F. B. Pierson, M. A. Weltz and R. G. Hendricks (eds.). Society for Range Management. Denver, CO, USA. pp. 25-51.

All the texts published by Revista Mexicana de Ciencias Forestales with no exception– are distributed under a Creative Commons License Attribution-NonCommercial 4.0 International (CC BY-NC 4.0), which allows third parties to use the publication as long as the work’s authorship and its first publication in this journal are mentioned.