Revista Mexicana de Ciencias Forestales Vol. 11 (59)

Mayo – Junio (2020)

DOI: https://doi.org/10.29298/rmcf.v11i59.673

Artículo

Factores que influyen en la erosión hídrica del suelo en un bosque templado

Factors that influence soil hydric erosion in a temperate forest

Moisés Matías Ramos1

Jesús David Gómez Díaz*1

Alejandro Ismael Monterroso Rivas1

Miguel Uribe Gómez1

Bartolo de Jesús Villar Hernández2

Patricia Ruiz García1

Carlos Asencio3

Fecha de recepción/Reception date: 11 de octubre de 2019

Fecha de aceptación/Acceptance date: 24 de marzo de 2020

_______________________________

1Universidad Autónoma Chapingo, México.

2Colegio de Postgraduados, Campus Montecillo, México.

3Universidad de Almería, España.

*Autor por correspondencia; correo-e: dgomez@correo.chapingo.mx

Abstract

Forest ecosystems are important in the contribution of goods and services to society; however, they may be affected by water erosion, which represents a serious problem in Mexico. Therefore, the objective of this work was to determine the factors that explain this type of degradation in the temperate forest. The factors that influence water erosion were selected through literature review, nationally and internationally, with criteria for use in management and monitoring programs. To assess erosion loss, the measurement of pedestals was used. Statistically, Pearson's correlation and Principal Component Analysis (PCA) were used. The results obtained revealed that for Pearson, the apparent density (r = 0.64), slope (r = 0.59) and the percentage of rocks on the soil surface (r = 0.57), showed a positive correlation with water erosion, so by increasing their values, the presence of pedestals increases. Negative correlation was determined with depth (r = -0.48) and percentage of soil organic matter (r = -0.45). At higher magnitudes of those parameters, the presence of pedestals decreases as expressions of the degree of soil erosion. Through the PCA, they also directly influenced the thickness of the mulch, bare soil and soil compaction. Positive correlation with percentage of bare soil and compaction was also identified. While there was no significance with organic matter, infiltration capacity and soil depth. The indicated factors must be taken into account to facilitate future monitoring.

Key words: Physical degradation, forest ecosystems, erosion by pedestals, soil organic matter, soil loss.

Resumen

Los ecosistemas forestales son importantes en la aportación de bienes y servicios a la sociedad; sin embargo, pueden estar afectados por erosión hídrica, lo cual representa un problema grave en México. Por lo tanto, el objetivo de este trabajo fue determinar los factores que explican ese tipo de degradación en un bosque templado. Los factores incluidos fueron seleccionados mediante revisión de literatura, a nivel nacional e internacional, con el criterio de uso en programas de manejo y monitoreo. Para evaluar la pérdida por erosión, se utilizó la medición de pedestales. Estadísticamente, se emplearon la correlación de Pearson y el Análisis de Componentes Principales (ACP). Los resultados de la primera evidenciaron que la densidad aparente (r= 0.64), pendiente (r=0.59) y el porcentaje de rocas en la superficie del suelo (r=0.57) tienen correlación positiva con la erosión hídrica; por lo que, al incrementar sus valores, aumenta la presencia de pedestales. Se determinó una correlación negativa con la profundidad (r= -0.48) y el porcentaje de materia orgánica (r= -0.45). A mayor magnitud de estos parámetros, disminuye la presencia de pedestales como expresiones del grado de erosión de los suelos. Mediante el ACP, se obtuvo que, además, incidieron directamente, el espesor del mantillo, la presencia de suelo desnudo y la compactación. También, se identificó una correlación positiva con el porcentaje de suelo desnudo y la compactación. No hubo significancia con la materia orgánica, capacidad de infiltración y profundidad del suelo. Los factores señalados deben considerarse para facilitar los monitoreos futuros.

Palabras clave: Degradación física, ecosistemas forestales, erosión por pedestales, materia orgánica del suelo, perdida de suelo.

Introducción

La degradación es un problema que afecta al suelo en alguna de sus cuatro modalidades: erosión hídrica, erosión eólica, degradación química y degradación física. Los suelos de las áreas forestales no están exentos de presentar algún tipo de factor degradante. Una proporción importante del territorio mexicano tiene problemas de degradación; sin embargo, se pueden mitigar, mediante la gestión de las áreas forestales que promuevan el desarrollo de los bienes y servicios que se obtienen de los recursos naturales (Conafor, 2015). Por ende, es necesario evaluar cómo se manifiesta este tipo de función de protección sobre los recursos suelo y agua en las zonas forestales.

De acuerdo con lo anterior, existen varios trabajos que tratan de determinar aquellos factores que influyen en la erosión del suelo, de los cuales se deriva un amplio listado de variables importantes entre las que se destacan:

El relieve. Característica de la cual depende la velocidad que alcanza el escurrimiento superficial del agua, así como otras particularidades (Figueroa et al., 1991).

El tipo de material parental. Influye directamente en las características del suelo y en la tasa de su formación, que debe estar en equilibrio con la tasa de erosión para mantener su capacidad productiva (Loredo-Osti et al., 2007).

Las condiciones climáticas. Actúan como fuerzas propulsoras de la erosión del suelo, entre las que sobresale la precipitación como el principal agente erodante (Figueroa et al., 1991).

El tipo de vegetación y sus condiciones. Tienen funciones protectoras en el manejo del bosque (Miura et al., 2015).

El uso del suelo. Un mal manejo es un elemento condicionante de la susceptibilidad a la erosión (Muñoz y Ferreira, 2013; Durán et al., 2014).

Propiedades físicas y químicas del suelo. Estas características determinan la susceptibilidad a la erosión (Cabria et al., 2002).

En la actualidad, se siguen realizando estudios a nivel global con la finalidad de llegar a entender mejor este fenómeno vigente de manera relevante, por lo que se trabaja en identificar, establecer y validar monitoreos adaptables a los diferentes tipos de vegetación existentes en el mundo. La Agencia Forestal Japonesa en conjunto con la Comisión Nacional Forestal (Conafor) de México, en el año 2015, evaluaron cuatro métodos de monitoreo de las funciones protectoras de la vegetación sobre el recurso suelo (Conafor, 2015), del cual se generó una propuesta de un método híbrido descrito en la “Guía de campo para una evaluación rápida de las funciones protectoras del bosque del suelo y el agua” (FAO, 2015), el cual fue la base para realizar la presente investigación, con la integración de otras variables que se consideran importantes en este tipo de monitoreo. Por lo tanto, los objetivos planteados fueron determinar qué factores influyen sobre la erosión hídrica del suelo en el bosque templado, de Zoquiapan, México, e identificar aquellos que se correlacionan con la erosión hídrica en zonas forestales, de manera que puedan utilizarse en monitoreos futuros, por su practicidad y eficiencia.

Materiales y Métodos

Descripción del área de estudio

El área de estudio se encuentra dentro del Parque Nacional Iztaccíhuatl-Popocatépetl-Zoquiapan, específicamente en la Estación Forestal Experimental Zoquiapan (EFEZ) de la Universidad Autónoma Chapingo. Se localiza entre las coordenadas geográficas: 19º12’30’’ y 19º20’00’ de latitud norte y 98º30’00’ y 98º42’30’’ de longitud oeste, con una superficie de 1 924.23 hectáreas y un intervalo altitudinal de 3 080 a 3 670 m. El clima del lugar se tipifica como Cb´(w2)(w)ig y Cc(w2)(w)ig. Existen cinco asociaciones vegetales: bosque de oyamel, bosque de pino, bosque de aile, bosque de pino-aile y áreas de pastizales (Blanco et al., 1981).

Selección de puntos de muestreo

Se realizó una caracterización previa del sitio de muestreo siguiendo la metodología propuesta por Gómez (2008). Con ayuda de un Sistema de Información Geográfico (ArcGis 10.1) se generaron mapas de: fisiografía, clima, uso de suelo y vegetación. Los mapas fueron sobrepuestos para obtener unidades de paisaje con características homogéneas (Unidades biofísicas) para facilitar el muestreo (Figura 1). Se generaron 18 unidades biofísicas; de ellas, se seleccionaron tres por su importancia ecológica, sobre las cuales se establecieron los puntos de muestreo con tres repeticiones (Cuadro 1).

Cuadro 1. Coordenadas y clave de identificación de los puntos de muestreo en las unidades de paisaje seleccionadas.

Unidad biofísica

Clave de identificación

Repetición

Coordenadas (UTM)

Bosque de Oyamel con un clima Cc(w2)(w)ig en una ladera inclinada

BO_LI

1

534494-E, 2133356-N

2

534675-E, 2132688-N

3

534906-E, 2131999-N

Bosque de Pino con clima Cc(w2)(w)ig en un valle intermontano casi plano

BP_VI

1

533898-E, 2133370-N

2

534394-E, 2134038-N

3

535210-E, 2134024-N

Bosque de Pino-Aile con un clima Cc(w2)(w)ig en una ladera inclinada

BPAi_LI

1

534274-E, 2130682-N

2

534557-E, 2130007-N

3

534748-E, 2131102-N

Figura 1. Representación gráfica de las Unidades biofísicas con características homogéneas en Zoquiapan, México.

Parcela de muestreo

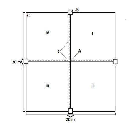
Se utilizó como base la parcela de muestreo denominada: “submuestreo por transecto y línea de puntos” (FAO, 2015), que se adaptó para el levantamiento de nuevas variables (Figura 2).

I, II, III y IV = Cuadrantes; A, B, C y D = Mediciones que se detallan en la descripción del levantamiento de la información.

Figura 2. Submuestreo por transecto y línea de puntos.

Levantamiento y procesamiento de datos

Información general del sitio (A). Se obtuvo información de cada sitio que incluye los datos de relieve, material parental, clima, vegetación y uso del suelo.

Medición de la cobertura arbórea (D). Para esta variable se utilizó un Densitómetro GRS y se determinó el porcentaje de dosel con base en la metodología de la Comisión Nacional Forestal (Conafor, 2015), acorde a los transectos marcados con las líneas punteadas de la Figura 2.

Cobertura del piso forestal (B). Se determinó el porcentaje de la cobertura a nivel superficial, a partir de fotografías tomadas de forma perpendicular al terreno en cuatro cuadros de 1 m2, cada uno de ellos en los extremos de las líneas trazadas de los transectos de la Figura 2. En gabinete se realizó el análisis de las fotografías con el software libre SamplePoint y se obtuvo el porcentaje (Conafor, 2015; FAO, 2015) de cobertura herbácea, residuos (árboles caídos, hojarasca y materiales descompuestos), rocas y piedras presentes, así como del suelo expuesto (Cuadro 2).

Cuadro 2. Biomasa y espesor, cobertura del dosel y cobertura del suelo de los puntos de muestreo.

ID

Rep

Pend (°)

P.M.A (mm)

Biomasa y espesor

Área Basal (m2 ha-1)

Cobertura Dosel

(%)

Cobertura del suelo (%)

Biom. Veg.

(t ha-1)

Biom. Hoja.

(t ha-1)

Esp. Hoja. (cm)

Biom. Mant.

(t ha-1)

Esp. Mant (cm)

Hoja.

Veg.

Residuo

Suelo

Roca

BP_VI

1

3

1 098

1.70

2.95

1.65

6.22

0.68

24.15

58.33

43.35

53.35

0.00

0.83

2

1

1 098

1.36

7.60

1.70

1.43

1.20

16.10

63.33

42.50

55.00

0.00

0.83

3

5

1 098

0.34

9.30

4.70

8.27

1.95

7.72

35.00

41.68

51.65

0.00

0.00

BO_LI

1

23

1 128

2.71

9.50

1.85

11.09

4.38

16.51

76.67

45.00

40.00

1.67

0.83

2

19

1 128

0.46

4.35

1.18

13.62

2.36

53.88

85.00

32.50

58.35

2.50

2.50

3

20

1 128

0.28

6.43

3.03

21.03

3.18

24.92

80.00

33.75

65.00

0.63

0.00

BPAi_LI

1

13

1 213

1.33

5.26

4.48

5.39

1.39

72.11

61.67

54.28

35.00

8.58

0.00

2

7

1 213

3.68

6.53

3.84

6.10

1.42

12.94

15.00

79.30

16.43

0.73

0.00

3

10

1 213

3.22

6.73

3.93

6.08

1.53

22.38

85.00

35.73

55.70

5.73

0.00

Rep. = Repetición, Pend = Pendiente, P.M.A. = Precipitación media anual, Biom. Veg. = Biomasa vegetal, Biom. Hojar. = Biomasa hojarasca, Esp. Hoja. = Espesor Hojarasca; Biom. Mant. = Biomasa mantillo, Esp. Mant. = Espesor mantillo, Hoja. = Hojarasca, Veg. = Vegetal; BP_VI = Bosque de Pino con clima Cc(w2)(w)ig en un valle intermontano casi plano ; BO_LI = Bosque de Oyamel con un clima Cc(w2)(w)ig en una ladera inclinada; BPAi_LI = Bosque de Pino-Aile con un clima Cc(w2)(w)ig en una ladera inclinada.

Biomasa del piso forestal (B). Se midió en el cuadro de 1 m2, localizado en la parte superior de la línea central, sobre la dirección de la pendiente (Figura 2). Se tomaron muestras de la vegetación herbácea, se midió el espesor de la hojarasca y el mantillo expresado en centímetros con una regla de 30 cm. Se recolectaron submuestras de cada uno de ellos y se procesaron en el laboratorio de Génesis del área de Pedología del Departamento de Suelos en la Universidad Autónoma Chapingo, donde se utilizó una estufa de secado Thelco 22AF5 a una temperatura de 70 °C hasta que las muestras alcanzaron un peso constante; los datos de biomasa seca se obtuvieron en unidades de tonelada por hectárea.

Área basal (C). En el cuadrante IV se midieron los árboles >5 cm de diámetro a la altura de 1.30 m .30 m con una cinta diamétrica Forestry Suppliers.

Variables edáficas (Cuadrante II). Por su importancia en la susceptibilidad a la erosión, se obtuvo la información de algunas propiedades físicas y químicas del suelo; para ello, se obtuvieron tres muestras de suelo en cada unidad biofísica. En el laboratorio de Génesis del área de Pedología del Departamento de Suelos en la Universidad Autónoma Chapingo se determinó el contenido de materia orgánica (AS-12-1998), textura (AS-08-1998) y pH (AS-09-1998) siguiendo la metodología descrita en la Norma Oficial Mexicana NOM-021-SEMARNAT-2000 (Semarnat, 2002). Para la estabilidad de agregados se aplicó la metodología de Yoder (Florentino, 1998). La compactación del suelo se determinó con un penetrómetro Soil compaction tester, marca AgraTronix, modelo 6 120 y se registró en megapascales (MPa) que corresponden a Newtons mm-2. En algunos casos, estos datos se midieron hasta los 60.96 cm de profundidad; asimismo, se calculó el promedio de la profundidad del suelo.

Para la infiltración se utilizó un infiltrómetro de anillo (USDA, 2000) los datos se consignan en centímetros por hora. El método de excavación directa en campo y toma de muestras inalteradas de volumen conocido (Etchevers et al., 2005) se utilizaron para la densidad del suelo. La profundidad se midió con una barrena sin fin.

Medición de erosión por pedestales (Cuadrante III). Se detectó este tipo de erosión mediante la identificación de relictos de suelo superficial, que permanecen por la protección de piedras, ramas o plantas. Una vez identificados, se procedió a su conteo y a la medición de su altura mediante una regla graduada en milímetros y centímetros.

Medición de erosión por canalillos y cárcavas (Parcela de muestreo). Se identifica cuando una línea de escurrimiento ha causado la remoción y el arrastre de suelo. Aquellas que midieron menos de 30 cm de profundidad correspondieron a canalillos y las >30 cm de profundidad se denominaron cárcavas (FAO, 2015). Si se identificaron en toda la parcela de muestreo, se procedió a su medición siguiendo lo propuesto por la Conafor (2015).

Análisis estadístico

Para identificar los factores importantes en la explicación de la erosión hídrica, se realizó una matriz de correlación de Pearson entre las covariables seleccionadas y la variable respuesta. Para el análisis se utilizaron, únicamente, los datos de erosión en forma de pedestales, ya que para canalillos y cárcavas se tuvo un solo registro.

Se seleccionaron las variables que resultaron significativas y presentaron un valor de correlación mayor, se consideró que los valores cercanos a la unidad son positivamente correlacionados, de manera que conforme aumenta el valor de la covariable se incrementa la erosión. La relación inversa, cuando una de las variables aumenta y la otra disminuye en proporción constante, se consideró correlación negativa. Es decir, cuanto más próximo a -1 esté el coeficiente de correlación, más evidente será la correlación.

Para incluir la interacción de todas las variables y comprobar si existen otras covariables de importancia, se realizó un Análisis de Componentes Principales (ACP); para ello, se realizó la estandarización convencional, sustrayendo la media y dividiendo por la desviación estándar. El análisis se realizó debido a que esta técnica multivariante explora y reduce la dimensionalidad de un conjunto grande de datos con la mínima pérdida de información. La interpretación de las correlaciones entre variables se hace mediante los ángulos de los vectores que las representan. Los ángulos agudos, que se forman entre variable dependiente e independiente, indican correlaciones positivas; ángulos obtusos entre ambas, corresponden a correlaciones negativas; y los rectos implican que no hay correlación entre variables (Balzarini et al., 2015).

Resultados y Discusiones

En el Cuadro 2 se muestran los resultados de biomasa aérea, área basal, espesor de hojarasca y mantillo. Estos elementos del suelo son importantes en la mitigación de la erosión (Durán et al., 2014). Otros datos de cobertura medidos en campo fueron el porcentaje cubierto por el dosel forestal en cada punto de muestreo, así como la cobertura del piso forestal que se subdividió en los porcentajes de, vegetación, residuos, suelo desnudo y roca que incluyó piedras (Cuadro 2). En general, del análisis de los datos recabados en campo se determinó que el porcentaje de cobertura fue mayor a 90 %, el cual corresponde a una categoría alta de acuerdo a la propuesta por Miura et al. (2015).

Las variables edáficas se presentan en el Cuadro 3. El intervalo de infiltración medida en la mayoría de los puntos varió de rápido a muy rápido, de acuerdo con la clasificación de USDA (2000). Los datos de resistencia a la penetración que se midieron en los primeros 7.62 cm de profundidad, se clasifican como baja a moderada (Schoeneberger et al., 2012). Se consideró la primera capa del suelo para su análisis (7.62 cm), debido a que interviene, directamente, con los impactos o la fuerza erosiva del agua. Los suelos se catalogaron como profundos a muy profundos (FAO, 2015).

Cuadro 3. Variables edáficas de los sitios de muestreo.

ID

Rep.

Infiltración (cm h-1)

Compactación (MPa)

Prof. suelo (cm)

pH

M.O. (%)

Agregados (%)

DAP

(g cm-3)

BP_VI

1

63.5

1.55

120

4.30

13.20

0.86

0.64

2

11.76

2.02

120

5.56

12.90

0.80

0.64

3

105.10

1.03

120

5.47

13.58

0.80

0.64

BO_LI

1

54.43

1.33

120

5.20

10.89

0.85

0.72

2

63.24

1.68

75

4.85

12.90

0.77

0.73

3

125.95

1.61

90

5.60

13.04

0.72

0.56

BPAi_LI

1

117.22

1.36

120

5.13

13.58

0.73

0.62

2

22.14

1.59

45

5.90

11.83

0.52

0.59

3

10.28

1.91

90

5.57

13.44

0.78

0.71

BP_VI = Bosque de Pino con clima Cc(w2)(w)ig en un valle intermontano casi plano; BO_LI = Bosque de Oyamel con un clima Cc(w2)(w)ig en una ladera inclinada; BPAi_LI = Bosque de Pino-Aile con un clima Cc(w2)(w)ig en una ladera inclinada; M.O. = Materia orgánica; DAP =Densidad aparente.

Otras propiedades del suelo determinadas fueron: 1) pH que resultó como fuertemente ácido a muy fuertemente ácido (Castellanos et al., 2000), atribuible a las propiedades ándicas de los suelos y a los contenidos de materia orgánica (Castellanos et al., 2000); 2) la materia orgánica registró valores muy altos; 3) la estabilidad de agregados indicó que el suelo tiene un alto porcentaje de agregados estables, lo cual sugiere que son suelos con partículas persistentes frente a fuerzas destructivas por acción climática, antrópica u otra (Florentino, 1998), además el suelo estable también se atribuye a la cantidad de la materia orgánica; 4) la densidad aparente (DAP) estuvo en un intervalo de 0.59 - 0.72 g cm-3, que se considera como baja (Etchevers et al., 2005), lo cual valida que son suelos porosos, bien aireados y con buen drenaje; 5) la textura se clasificó como Franco – arenosa, clasificada como media, propia de los suelos forestales.

Como se observa en el Cuadro 4, los indicios de erosión por pedestales fueron los únicos presentes en los puntos de muestreo, se registró solamente un dato para la variable de canalillos y datos nulos para la variable de cárcavas, por lo que la erosión en el sitio fue de nula a ligera, de acuerdo a la clasificación de Figueroa et al. (1991), lo cual se atribuye a las propiedades físicas y químicas del suelo que le confieren estabilidad a sus agregados, como se indicó anteriormente.

Cuadro 4. Variables de erosión: pedestales, canalillos y cárcavas.

ID

Rep.

Pedestales (cm)

Canalillos (Vol. “m3”)

Cárcavas (Vol. “m3”)

BP_VI

1

0.00

0.00

0.00

2

0.00

0.00

0.00

3

0.00

0.00

0.00

BO_LI

1

1.28

0.00

0.00

2

1.90

0.00

0.00

3

0.00

0.00

0.00

BPAi_LI

1

0.70

0.11

0.00

2

1.00

0.00

0.00

3

0.86

0.00

0.00

BP_VI = Bosque de Pino con clima Cc(w2)(w)ig en un valle intermontano casi plano; BO_LI = Bosque de Oyamel con un clima Cc(w2)(w)ig en una ladera inclinada; BPAi_LI = Bosque de Pino-Aile con un clima Cc(w2)(w)ig en una ladera inclinada; Rep. = Repetición.

La correlación entre las variables medidas y la erosión del suelo representada por pedestales se describe a continuación. Se realizó el análisis estadístico descartando aquellos datos que eran iguales o muy similares entre sí. Las 20 covariables seleccionadas por influir en la variable respuesta, se analizaron mediante la matriz de correlación (Figura 3).

Código

Significado

pedes

Pedestales

pend

Pendiente

pp

Precipitación

bio1

Biomasa de la vegetación

bio2

Biomasa de la hojarasca

esph

Espesor de la hojarasca

bio3

Biomasa del mantillo

espman

Espesor del mantillo

basal

Área basal

hoja

Cobertura del dosel, hoja

veg

Cobertura del suelo, vegetación

resid

Cobertura del suelo, residuos

suelo

Cobertura del suelo, suelo expuesto

roca

Cobertura del suelo, roca

inf

Infiltración

compac

Compactación

prof

Profundidad del suelo

pH

Potencial hidrógeno

mo

Materia orgánica

agreg

Agregados estables en el suelo

da

Densidad aparente

Figura 3. Matriz de correlación y código utilizado.

En el Cuadro 5 se muestran las covariables de mayor correlación con la erosión, con base en el coeficiente de correlación de Pearson.

Cuadro 5. Coeficiente de correlación de Pearson para las variables de mayor correlación con la erosión hídrica.

Variable

Coeficiente de correlación de Pearson

Pendiente (%)

0.59

Roca (%)

0.57

Profundidad (cm)

-0.48

Materia orgánica (%)

-0.45

DAP (g cm-3)

0.64

En el análisis de exploración mediante Componentes Principales (ACP) que se exhibe en la Figura 4, las variables que resultaron importantes para explicar la presencia de pedestales (enmarcado con color amarillo) fueron: suelo desnudo, compactación, pendiente, espesor del mantillo, rocas y DAP; las cuales, tuvieron una correlación positiva. La materia orgánica, infiltración y profundidad del suelo presentaron una correlación negativa (enmarcadas con color verde). En este caso, a mayor magnitud de las variables, menor erosión en forma de pedestales. Estos resultados son acordes a lo esperado, ya que los suelos profundos y contenidos altos de materia orgánica favorecen su capacidad de infiltración y son suelos muy estables, lo cual reduce los riesgos de erosión.

Figura 4. Análisis de exploración mediante Componentes Principales para todas las variables analizadas.

De los análisis estadísticos expuestos se deduce que la erosión por pedestales está correlacionada con:

1) Pendiente del suelo. Variable entre las de mayor importancia en la correlación de Pearson (r = 0.59) y en el ACP, el ángulo que forman las dos líneas es agudo, lo cual indica correlaciones positivas y muestra la importancia de la pendiente en la erosión del suelo, hecho que concuerda con lo citado por Figueroa et al. (1991) y Durán et al. (2014).

2) Espesor del mantillo. Resultó importante con el ACP, ya que el ángulo entre este y la erosión es agudo; lo que significa que, al incrementarse el espesor de mantillo, la erosión en formación de pedestales fue mayor. Lo anterior puede asociarse a que el mantillo estaba en una etapa de descomposición intermedia, y en esta fase, como lo indican Miura et al. (2015), el mantillo está compuesto por partículas grandes de residuos vegetales aún sin estructura estable, ello representa un obstáculo a la escorrentía, por lo que se acumule el agua; de tal forma que, cuando el volumen de esta aumenta, arrastra a los residuos y al suelo.

3) Presencia de rocas en la superficie. La correlación de Pearson fue positiva (r = 0.57), que se asocia con la escorrentía alrededor de estos obstáculos y se concentra mayor volumen de agua en las áreas descubiertas. Por tanto, puede haber desprendimiento y arrastre del suelo fino, que ocasiona la exposición de los materiales rocosos o pedregosos como un indicio de erosión (Durán et al., 2014).

4) Porcentaje de suelo desnudo. La correlación positiva observada mediante ACP es un resultado esperado; puesto que, al no haber cobertura que proteja al suelo, el problema de la erosión se evidencia con más intensidad, tal y como lo han señalado diversos autores (Muñoz y Ferreira, 2013; Durán et al., 2014; Miura et al., 2015).

5) Compactación del suelo. Relacionada positivamente con la erosión del suelo en pedestales, lo cual significa que a mayor compactación del suelo existe más altura en los pedestales medidos en campo. Lo anterior se atribuye a que cuando hay compactación, se reduce la infiltración del agua, aumenta el escurrimiento superficial, y todo ello causa erosión (Spaeth et al., 1996).

6) Densidad aparente del suelo. Presentó una correlación positiva alta (r = 0.64), atribuida a que los suelos presentaron partículas muy estables, de textura media y valores de DAP < 1. Los suelos con texturas gruesas se relacionan con mayor DAP y son susceptibles a ser erosionados (Muñoz y Ferreira, 2013).

7) Materia orgánica. La correlación de Pearson resultó negativa (r = -0.45), al igual que con ACP en el que se observó que el ángulo entre la materia orgánica y la erosión fue cercano a 180° (Figura 4), lo cual significa que, a mayor materia orgánica presente en el suelo, la tasa de infiltración se incrementa; así como en suelos profundos, se presenta menos erosión por pedestales. La respuesta es la esperada y se asocia a que la materia orgánica es fundamental para la agregación y estabilidad del suelo, haciéndolo más resistente a la erosión, coincidente con lo que han validado Muñoz y Ferreira (2013).

8) Profundidad del suelo. Los suelos más profundos tienen más capacidad de infiltración, almacenan más agua y disminuyen el volumen de flujo superficial; en consecuencia, se reduce la erosión y por ello la correlación de Pearson fue negativa (r = -0.48).

9) Infiltración. El resultado de la infiltración indica que al aumentar la infiltración existe menor erosión; esto se explica, como lo señalan Morgan et al. (1984), debido a que con mayor tasa de agua que penetra al suelo, se reduce la escorrentía superficial.

Al analizar individualmente las otras variables medidas: porcentaje de cobertura del dosel, porcentaje de cobertura por vegetación y porcentaje de residuos, no se obtuvo mayor correlación con la erosión por pedestales para los sitios muestreados. Esto no quiere decir que carecen de importancia; ya que, el suelo desnudo que resulta de restar la superficie cubierta por todos los materiales fue altamente significativo para explicar el problema de erosión.

Conclusiones

La utilización de la metodología planteada posibilita determinar los factores que explican la erosión hídrica en el área de estudio. La pendiente del sitio, espesor de mantillo, porcentaje de roca presente en la superficie, compactación y la densidad aparente presentan una correlación positiva con la erosión expresada como pedestales; de manera que, conforme aumenta su magnitud, el riesgo de presencia de pedestales se incrementa. La materia orgánica del suelo, velocidad de infiltración y profundidad del suelo registran una correlación negativa, por lo que su presencia en valores altos reduce los riesgos de erosión hídrica del suelo, por ausencia o menor incidencia de pedestales. Es conveniente que estos factores se consideren, en primera instancia, en estudios posteriores de monitoreo.

Conflicto de interés

Los autores declaran no tener conflicto de intereses.

Contribución por autor

Moisés Matías Ramos, Jesús David Gómez Díaz y Alejandro Ismael Monterroso Rivas: caracterización del medio biofísico para la obtención de unidades de paisaje homogéneas, selección de las variables por medir y redacción del manuscrito; Bartolo de Jesús Villar Hernández: análisis estadístico; Miguel Uribe Gómez y Patricia Ruiz García: levantamiento de datos en campo y redacción del manuscrito; Carlos Asensio: redacción del manuscrito.

Referencias

Balzarini, M., C. Bruno, M. Córdoba e I. Teich. 2015. Herramientas en el Análisis Estadístico Multivariado. Escuela Virtual Internacional CAVILA. Facultad de Ciencias Agropecuarias, Universidad Nacional de Córdoba. Córdoba, Argentina. 200 p.

Blanco Z., S., G. Ceballos, C. Galindo L., J. M. Maass M., R. Patrón S., A. Pescador y A. I. Suaréz G. 1981. Ecología de la estación experimental Zoquiapan. Serie Agronomía 2. Universidad Autónoma Chapingo. Texcoco, Edo. de Méx., México. 35 p.

Cabria, F., M. Calandroni y G. Monterubbianesi. 2002. Tamaño y estabilidad de agregados y su relación con la conductividad hidráulica saturada en suelos bajo labranza convencional y praderas. Ciencia del Suelo. 20(2):69-80. https://www.suelos.org.ar/publicaciones/ vol_20n2/cabria_69-80.pdf (15 de junio de 2019).

Castellanos J., Z., J. X. Uvalle-Bueno y A. Aguilar-Santelises. 2000. Manual de interpretación de análisis de suelos y aguas. 2a ed. Instituto de Capacitación para la Productividad Agrícola. Villahermosa, Tab., México. 14 p.

Comisión Nacional Forestal (Conafor). 2015. Mejora de la información para promover el manejo forestal para la protección del suelo y del agua, informe final de México. Conafor. Zapopan, Jal., México. 120 p. http://www.conafor.gob.mx (23 de mayo de 2019).

Departamento de Agricultura de los Estados Unidos de América (USDA). 2000. Guía para la Evaluación de la Calidad y Salud del Suelo. USDA. Washington, DC, USA. 88 p.

Durán Z., V. H., C. R. Rodríguez P., S. Cuadros T. y J. R. Francia M. 2014. Impacto de la erosión y escorrentía en laderas de agroecosistemas de montaña mediterránea. Ecosistemas: Revista Científica y Técnica de Ecología y Medio Ambiente 23(1): 66–72. Doi: 10.7818/ECOS.2014.23-1.12.

Etchevers J., D., C. M. Monreal, C. Hidalgo, M. Acosta, J. Padilla y R. M. López. 2005. Manual para la determinación de carbono en la parte aérea y subterránea de sistemas de producción en laderas. Colegio de Postgraduados. Montecillo, Edo. de Méx., México. 28 p.

Figueroa S., B., A. Amante, H. G. Cortes, J. Pimentel, E. S. Osuna, J. M. Rodríguez y F. J. Morales. 1991. Manual de predicción de pérdidas de suelo por erosión. Colegio de Postgraduados. Salinas, SLP., México. 150 p.

Florentino, A. 1998. Guía para la evaluación de la degradación del suelo y de la sostenibilidad del uso de la tierra: selección de indicadores físicos. Valores críticos. Universidad Central de Venezuela. Maracay, Venezuela. 12 p.

Food and Agriculture Organisation of the United Nations (FAO). 2015. Guía de campo para una evaluación rápida de las funciones protectoras del bosque del suelo y el agua; un método científico sólido, rentable y fácil de aplicar para recopilar datos a fin de promover el manejo forestal para la protección del suelo y el agua. FAO. Roma, Italia. 20 p.

Gómez D., J. D. 2008. Determinación de los almacenes de carbono en los compartimentos aéreo y subterráneo de dos tipos de vegetación en la reserva de la Biosfera “Sierra De Huautla”, Morelos, México. Tesis Doctoral. Colegio de Postgraduados, Campus Montecillo. Montecillo, Edo. de Méx., México. 194 p.

Loredo-Osti., C., S. Beltrán L., F. Moreno S. y M. Casiano D. 2007. Riesgo de la erosión hídrica y proyección de acciones de manejo y conservación del suelo en 32 microcuencas de San Luis Potosí. Libro Técnico Núm. 3. Campo Experimental San Luis. San Luis Potosí- CIRNE-INIFAP. Saltillo, SLP., México. 209 p.

Miura, S., S. Ugawa, S. Yoshinaga, T. Yamada and K. Hirai. 2015. Floor Cover Percentage Determines Splash Erosion in Chamaecyparis obtusa Forests. Soil Science Society of America Journal 79(6). Doi:10.2136/sssaj2015.05.0171.

Morgan, R. P. C., D. V. Morgan D. and J. H. Finney. 1984. A predictive model for tile assessment of soil erosión risk. Journal of Agricultural Engineering Research. 30: 245- 253. Doi:10.1016/S0021-8634(84)80025-6.

Muñoz I., D. J. y M. F. Ferreira R. 2013. Relación entre la cobertura del terreno y la degradación física y biológica de un suelo aluvial en una región semiárida. Terra Latinoamericana 31 (3): 201–210. http:// www.redalyc.org/articulo.oa?id=57328903004 (5 de junio de 2019).

Secretaria del Medio Ambiente y Recursos Naturales (Semarnat). 2002. Norma Oficial Mexicana NOM-021-SEMARNAT-2000 Fertilidad, Salinidad y Clasificación de suelos, Estudio, Muestreo y análisis. (Segunda Sección). Diario Oficial de la Federación. México, D.F., México. 85 p. http://biblioteca.semarnat.gob.mx/janium/Documentos/Ciga/ libros2009/DO2280n.pdf (17 de abril de 2019).

Schoeneberger, P. J., D. A. Wysocki and E. C. Benham. 2012. Field book for describing and sampling soils, version 3.0. Natural Resources Conservation Service-National Soil Survey Center. Lincoln, NE, USA. 300 p.

Spaeth, K. E., T. L. Thurow, W. H. Blackburn and F. B. Pierson. 1996. Ecological dynamics and management effects on rangelands hydrologic processes. In: Spaeth, K. E., F. B. Pierson, M. A. Weltz and R. G. Hendricks (eds.). Society for Range Management. Denver, CO, USA. pp. 25-51.

        

Todos los textos publicados por la Revista Mexicana de Ciencias Forestales sin excepción– se distribuyen amparados bajo la licencia Creative Commons 4.0 Atribución-No Comercial (CC BY-NC 4.0 Internacional), que permite a terceros utilizar lo publicado siempre que mencionen la autoría del trabajo y a la primera publicación en esta revista.